
Bộ lưu trữ năng lượng (ESS) hay đơn giản là bộ lưu trữ năng lượng ESS là một thiết bị được sử dụng để lưu trữ năng lượng và cung cấp lại để sử dụng sau này. Hệ thống lưu trữ năng lượng nói chung...

Bộ lưu trữ năng lượng (ESS) hay đơn giản là bộ lưu trữ năng lượng ESS là một thiết bị được sử dụng để lưu trữ năng lượng và cung cấp lại để sử dụng sau này. Hệ thống lưu trữ năng lượng nói chung có thể bao gồm: Pin, hóa chất, điện hóa, cơ khí và nhiệt, .
Bộ lưu trữ năng lượng (ESS) của Elecnova, model: ECO-ESS là bộ lưu trữ năng lượng sử dụng công nghệ Pin và công nghệ chuyển đổi tiên tiến. Hệ thống lưu trữ năng lượng của Elecnova giúp dễ dàng lưu trữ và cung cấp năng lượng ở đâu và khi cần thiết tạo ra một cơ sở hạ tầng năng lượng linh hoạt hơn và tiết kiệm chi phí cho người tiêu dùng và Hơn nữa, những điều này đảm bảo độ tin cậy và ổn định của hệ thống bằng cách đáp ứng nhanh chóng với nguồn điện biến động.
Bộ lưu trữ năng lượng (ESS) Elecnova giúp lưu trữ năng lượng sạch từ các hệ năng lượng mặt trời hoặc hệ điện gió. Ngay cả khi mặt trời không chiếu sáng hoặc không có gió, bộ lưu trữ năng lượng vẫn lưu trữ năng lượng dựa trên lưới điện và giúp có thể giải quyết gián đoạn năng lượng mặt trời hoặc gió và cung cấp năng lượng sạch một cách nhất quán cho các ứng dụng dân cư, thương mại và công nghiệp.
Dòng sản phẩm bộ lưu trữ năng lượng ESS công nghiệpECO-ESS của Elecnova được thiết kế với dải công suất từ 50kW - 500KW, để phù hợp với các ứng dụng trong các nhà xưởng hoặc các trung tâm thương mại, tòa nhà, các nhà máy.
Hãy cùng tìm hiểu nguyên lý cấu tạo như phía dưới đây:

1. Các thành phần chính của bộ lưu trữ năng lượng ESS - ECO-ESS Elecnova
Một bộ lưu trữ năng lượng (ESS) ECO-ESS bao gồm hai thành phần chính:
- Hệ thống chuyển đổi nguồn (PCS) xử lý chuyển đổi AC-to-DC và DC-to-AC (AC –Dòng điện xoay chiều và Dòng điện một chiều - Dòng điện một chiều là các loại năng lượng điện tái tạo), với năng lượng sạc vào pin để sạc pin hoặc được chuyển đổi từ bộ lưu trữ pin thành nguồn điện xoay chiều và được cung cấp vào lưới.
- Hệ thống quản lý pin (BMS) chịu trách nhiệm sạc pin, cân bằng và giám sát tình trạng pin cùng với một bộ vi điều khiển cung cấp khả năng điều khiển và liên lạc giữa các hệ thống.
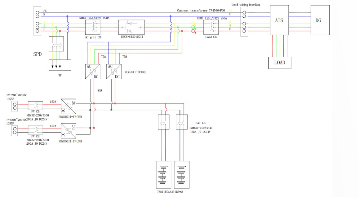
2. Sơ đồ nguyên lý và cấu trúc sản phẩm
Sơ đồ nguyên lý

Cấu trúc sản phẩm


3. Các ứng dụng của bộ lưu trữ năng lượng ESS Elecnova
- Sử dụng để lưu trữ năng lượng cho các hệ năng lượng mặt trời, điện gió, năng lượng tái tạo và sử dụng lại sau này. Thông thường là các hệ điện mặt trời áp mái cho các nhà xưởng hoặc các hệ điện gió nhỏ
- Sử dụng để lưu trữ điện tại thời điểm thấp điểm và bán lại vào lúc cao điểm.
- Sử dụng cho môi trường bền vững, giảm thải carbon, giúp đạt được các chứng chỉ bền vững cho các nhà máy/ cơ sở sản xuất kinh doanh
- Chủ động trong việc sử dụng điện và quản lý điện năng

4. Lợi ích của bộ lưu trữ năng lượng ESS Elecnova
Tiết kiệm điện (khi dùng kết hợp với hệ năng lượng mặt trời)
Tiết kiệm điện lên đến 3000VNĐ/Kwh đối với cơ sở sản xuất kinh doanh (nhờ chênh lệch trong giờ thấp điểm/ cao điểm)
Sử dụng năng lượng độc lập
Giá sử dụng điện rẻ hơn so với sử dụng qua máy phát điện thông thường
Góp phần vào giảm thải carbon vì môi trường bên vững
Tăng giá trị căn nhà/ cơ sở sản xuất/ kinh doanh khi cam kết cho môi trường bền vững
Tuổi thọ cao, giúp khách hàng luôn luôn yên tâm sử dụng điện
5. Tư vấn lắp đặt và lựa chọn nhà cung cấp bộ lưu trữ năng lượng ESS
Elecnova Việt Nam cung cấp giải pháp và thiết bị cho bộ lưu trữ năng lượng cho khách hàng từ giải pháp từ công suất bé cho hộ gia đình đến công suất lớn dành cho công nghiệp. Chúng tôi cung cấp dịch vụ trọn gói từ khảo sát công trình, tư vấn cho khách hàng đến tính toán lập báo cáo khả thi và đầu tư cho dự án.
Chúng tôi cam kết:
- Dịch vụ tư vấn lập báo cáo miễn phí
- Bảo hành các thiết bị và sản phẩm 2 năm (Ắc quy lên đến 10 năm)
Phòng 5.09 , Lầu 5, Tòa nhà ST Moritz , Số 1014 Phạm Văn Đồng , Phường Hiệp Bình, TPHCM
© 2024 Cycle Electric.